Нет товаров
Цены указаны с учетом НДС
Двухцилиндровый, V-образный, четырехтактный дизельный двигатель внутреннего сгорания с жидкостным охлаждением.
Мотор оснащен электрическим стартером. ДВС в комплекте с глушителем и радиатором.
Номинальная мощность: 12 кВт (16 л. с.) при 3000 об/мин
Изготовитель: YANCHENG CHARLES INTL TRADING CO., LTD / Jiangsu CD Power Equipment Co.,Ltd ![]()
13 шт на складе шт на складе
Екатеринбург
Внимание: ограниченное количество товара в наличии!
Будет доступен:
Внимание! С 01.01.2026 г. изменение цен, цены на сайте носят справочный характер.
Текущую стоимость просьба уточнять в офисе продаж.
WhatsApp: +79220387785
Telegram: @energyek96
+7 343 218-82-18 (19), 345-02-03 (04), 382-24-95
Самовывоз с нашего склада, отгрузка/отправка ТК.
Оплата: наличный расчет / межбанковский перевод.
Информация на сайте и цены - носят справочный характер и не является публичной офертой в соответствии с пунктом 2 статьи 437 ГК РФ.
Технические характеристики товара и изображение могут отличаться от указанных на сайте.
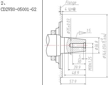
ДВС с жидкостным охлаждением CD2V80(Shaft J2) – 4-х тактный, 2-х цилиндровый, V-образный, дизельный.
Мотор оснащен электрическим стартером. ДВС в комплекте с глушителем и радиатором.
Применяется на силовом оборудования, дизельных электростанциях.
Номинальные рабочие обороты двигателя 3000.
Оптимальные условия для работы ДВС: Высота над уровнем моря до 1000 м; температура окружающей среды от 5℃ до 25℃; относительная влажность 30%.

Изготовитель: YANCHENG CHARLES INTL TRADING CO., LTD / Jiangsu CD Power Equipment Co.,Ltd ![]()

| Производитель | КНР |
| Сборка | КНР (CN) |
| Исполнение | В сборе |
| Тип | Дизельная |
| Режим работы | Прерывный |
| Тип топлива | Дизельное топливо (по сезону) |
| Двигатель | CD Power |
| Тип двигателя | Четырехтактный |
| Подача воздуха | Атмосферный |
| Количество цилиндров, шт | V2 |
| Резервная мощность двигателя, кВт | 12,5 |
| Основная мощность двигателя, кВт | 12 |
| Рабочий объём двигателя, см3 | 794 |
| Число оборотов двигателя, об/мин | 3000/3600 |
| Регулятор оборотов двигателя | Механический |
| Расход топлива, при нагрузке 110% | 4,7 л/ч |
| Расход топлива, при нагрузке 100% | 3,8 л/ч |
| Удельный расход топлива г/кВт.ч | 280 |
| Объем топливного бака, л | 2,5 |
| Емкость системы смазки двигателя, л | 3,5 |
| Охлаждение | Жидкостное |
| Система запуска | Электрический |
| Диапазон температуры хранения ВОС, °C | от -20 до +45 |
| Габаритные размеры (ДхШхВ), мм | 650 x 486 x 528 |
| Вес, кг | 58 |
Производитель - сборщик, импортер машинокомплектов и полностью готовых электростанций из Китая.
На данный момент производятся/поставляются дизельные генераторные установки (ДЭС, ДГУ, Дизель-генераторы, Электростанции) с двигателями WEIFANG, YANGDONG с жидкостной системой охлаждения и 1500 об/мин, представлены сериями СТАНДАРТ и ПРОФИ. Существуют как однофазные, так и трехфазные модификации электрогенераторов в открытом, кожуховом исполнении.
Степень автоматизации: 1 и 2
Также производятся/поставляются дизель-генераторы, представленные серией КОМПАКТ, на базе дизельных двигателей с воздушным охлаждением, 3000 об/мин. такие электростанции подойдут для временного электроснабжения.
Производятся/поставляются и бензогенераторы серии КОМПАКТ на базе двигателей LONCIN.
Генераторные установки ИСТОК представлены следующими сериями:
Генераторы доступны со склада в Екатеринбурге, отправка в любые города.
Большая часть номенклатуры поддерживается на складе.

Используя данный сайт, вы даете согласие на использование файлов cookie, помогающих нам сделать его удобнее для вас.